中传电气有限公司
400-885-7508
中传电气有限公司
首页
首页
关于我们
关于我们
公司简介
企业文化
资质荣誉
关于我们
公司简介
企业文化
资质荣誉
产品中心
产品中心
框架断路器
智能型万能式断路器
塑料外壳式断路器
电子式塑料外壳式断路器
智能漏电重合闸断路器
小型断路器/小型漏电断路器
双电源自动转换开关
控制保护开关
负荷隔离开关
刀开关系列
智能多功能电力仪表
智能照明
剩余电流式电气火灾监控探测器
火灾监控零序互感器
电流互感器
浪涌保护器
后备保护器
自复式过欠压
交流接触器
电力电容器
智能无功率自动补偿控制器
智能复合开关
光伏专业产品
产品中心
框架断路器
智能型万能式断路器
塑料外壳式断路器
电子式塑料外壳式断路器
智能漏电重合闸断路器
小型断路器/小型漏电断路器
双电源自动转换开关
控制保护开关
负荷隔离开关
刀开关系列
智能多功能电力仪表
智能照明
剩余电流式电气火灾监控探测器
火灾监控零序互感器
电流互感器
浪涌保护器
后备保护器
自复式过欠压
交流接触器
电力电容器
智能无功率自动补偿控制器
智能复合开关
光伏专业产品
下载中心
下载中心
新闻中心
新闻中心
联系我们
联系我们
当前位置:
首页
产品中心
小型断路器/小型漏电断路器
小型断路器/小型漏电断路器
产品中心
框架断路器
智能型万能式断路器
塑料外壳式断路器
电子式塑料外壳式断路器
智能漏电重合闸断路器
小型断路器/小型漏电断路器
双电源自动转换开关
控制保护开关
负荷隔离开关
刀开关系列
智能多功能电力仪表
智能照明
剩余电流式电气火灾监控探测器
火灾监控零序互感器
电流互感器
浪涌保护器
后备保护器
自复式过欠压
交流接触器
电力电容器
智能无功率自动补偿控制器
智能复合开关
光伏专业产品
产品中心
框架断路器
智能型万能式断路器
塑料外壳式断路器
电子式塑料外壳式断路器
智能漏电重合闸断路器
小型断路器/小型漏电断路器
双电源自动转换开关
控制保护开关
负荷隔离开关
刀开关系列
智能多功能电力仪表
智能照明
剩余电流式电气火灾监控探测器
火灾监控零序互感器
电流互感器
浪涌保护器
后备保护器
自复式过欠压
交流接触器
电力电容器
智能无功率自动补偿控制器
智能复合开关
光伏专业产品
搜索
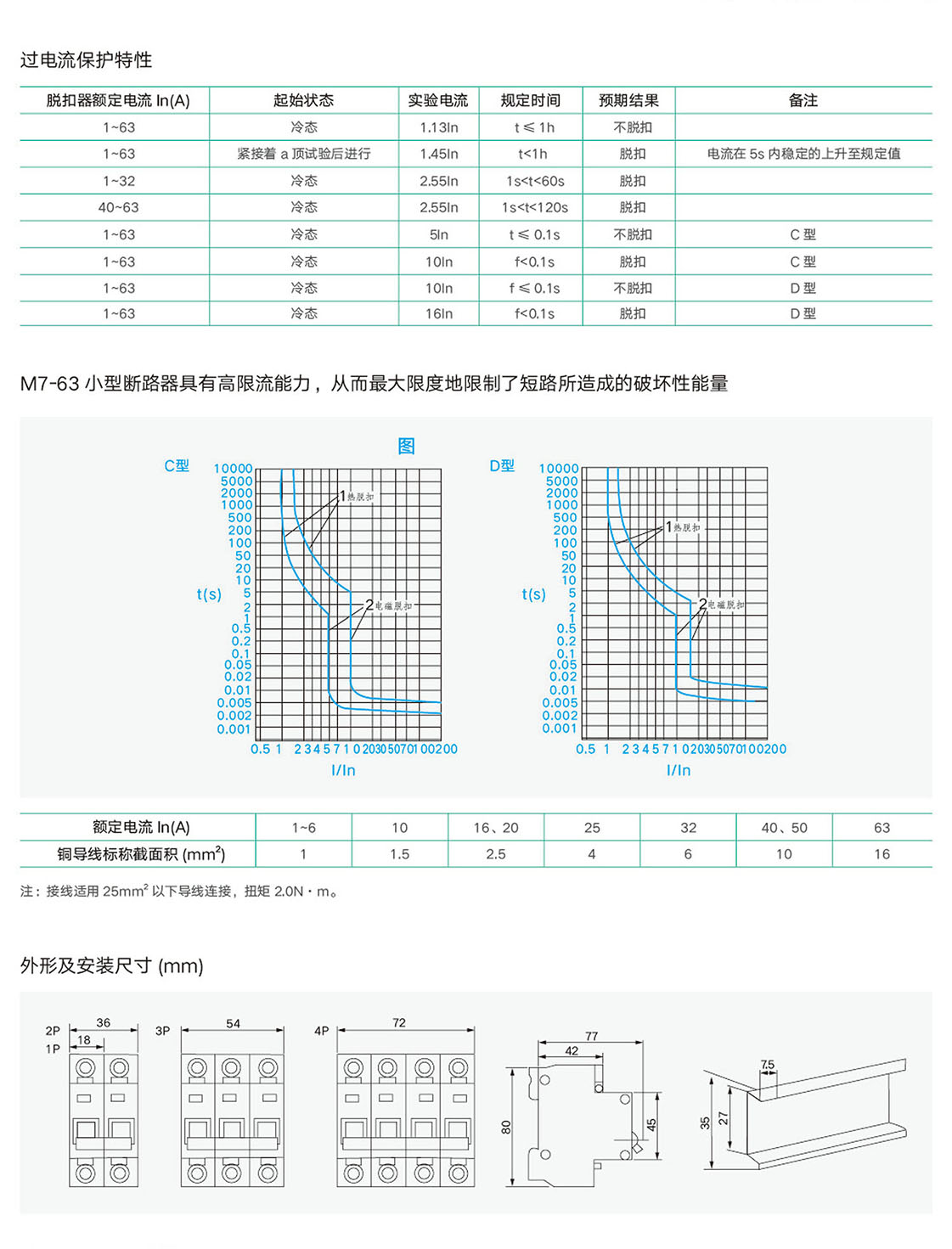
M7-63小型断路器
如果您有任何问题可以联系我们!
联系我们
产品详情
返回
上一个:ZHM3EL智能漏电重合闸断路器
下一个:M7LE-63小型漏电断路器
相关产品
HD(HS)系列开启式刀开关及刀形转换开关
M7LE-63小型漏电断路器
HD11F/HS11F带保护罩型开启式刀开关
ZCB2-125GQ光伏专用重合闸小型断路器
点击
隐藏
电话
咨询
400-885-7508
客服热线